2

I have a new Navien SmartZone+ 6-Zone Control for my boiler-based heating system. It is great, except it provides no power on C.

I realize the internet has researched the heck out of adding a C wire. There are lots of solutions for different situations.

My case is a little different: I have a 24V transformer and two isolation relays. They were used previously to provide 2 Nests with C wires, so this worked before... but my plumber disassembled the old zone controller and I'm left a bit baffled by how this worked...

Wiring an isolation relay with a 24-V transformer is well explained by ecobee: here

But I'm not sure based on this whether the following will work:

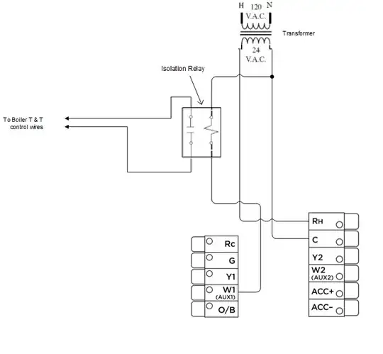
  1. Split the L side of the 24V transformer and connect it to C for both thermostats and one side of each of the isolation relays
  2. Split the N side of the 24V transformer and connect it to R for both thermostats
  3. Wire the W from each thermostat back to their respective isolation relays

Do I have this right? Thanks

Todd Curry
  • 123
  • 4

1 Answers1

1

That is correct, yes

That is a correct way to wire the coil-sides of two isolation relays -- one end of the secondary provides C to the relay coils and thermostat C wires, while the other side of the secondary provides R to the thermostats, and the W wires from the thermostats go to the free terminals on the corresponding relay coils.

The relay contacts then simply go in parallel -- this means that a call for heat from either thermostat will fire the boiler.

ThreePhaseEel
  • 83,293
  • 29
  • 137
  • 230
  • Thanks very much, ThreePhaseEel -- had other emergencies crop up that prevented me from finishing this until yesterday. Worked like a charm! – Todd Curry Jan 23 '19 at 15:15
  • Should the C or Rh wires be fused at all? I have a similar isolation really setup as above The 24VAC transformer sits behind the a HVAC 15A circuit-breaker. Does the thermo stat need its own fuse protection? – Moto_Nomad Oct 19 '20 at 04:12
  • @Moto_Nomad -- you're better off asking that as its own question – ThreePhaseEel Oct 20 '20 at 02:00