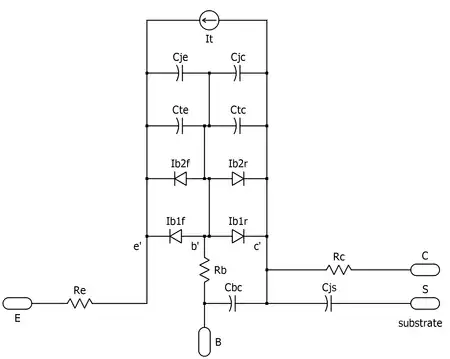
Schematic of Spice Gummel–Poon model NPN

The Gummel–Poon model is a model of the bipolar junction transistor. It was first described in an article published by Hermann Gummel and H. C. Poon at Bell Labs in 1970.[1]

The Gummel–Poon model and modern variants of it are widely used in popular circuit simulators such as SPICE. A significant effect that the Gummel–Poon model accounts for is the variation of the transistor and values with the direct current level. When certain parameters are omitted, the Gummel–Poon model reduces to the simpler Ebers–Moll model.[1]

Model parameters

Spice Gummel–Poon model parameters[2]

#NameProperty
modeled
ParameterUnitsDefault
value
1IScurrenttransport saturation currentA1×10−16
2BFcurrentideal max. forward beta100
3NFcurrentforward-current emission coefficient1
4VAFcurrentforward early voltageV
5IKFcurrentcorner for forward-beta high-current roll-offA
6ISEcurrentB–E leakage saturation currentA0
7NEcurrentB–E leakage emission coefficient1.5
8BRcurrentideal max. reverse beta1
9NRcurrentreverse-current emission coefficient1
10VARcurrentreverse early voltageV
11IKRcurrentcorner for reverse-beta high-current roll-offA
12ISCcurrentB–C leakage saturation currentA0
13NCcurrentB–C leakage emission coefficient2
14RBresistancezero-bias base resistanceΩ0
15IRBresistancecurrent where base resistance falls half-way to its minimumA
16RBMresistanceminimum base resistance at high currentsΩRB
17REresistanceemitter resistanceΩ0
18RCresistancecollector resistanceΩ0
19CJEcapacitanceB–E zero-bias depletion capacitanceF0
20VJEcapacitanceB–E built-in potentialV0.75
21MJEcapacitanceB–E junction exponential factor0.33
22TFcapacitanceideal forward transit times0
23XTFcapacitancecoefficient for bias dependence of TF0
24VTFcapacitancevoltage describing VBC dependence of TFV
25ITFcapacitancehigh-current parameter for effect on TFA0
26PTFexcess phase at frequency = 1/(2π TF)°0
27CJCcapacitanceB–C zero-bias depletion capacitanceF0
28VJCcapacitanceB–C built-in potentialV0.75
29MJCcapacitanceB–C junction exponential factor0.33
30XCJCcapacitancefraction of B–C depletion capacitance connected to internal base node1
31TRcapacitanceideal reverse transit times0
32CJScapacitancezero-bias collector–substrate capacitanceF0
33VJScapacitancesubstrate–junction built-in potentialV0.75
34MJScapacitancesubstrate–junction exponential factor0
35XTBforward- and reverse-beta temperature exponent0
36EGenergy gap for temperature effect of ISeV1.1
37XTItemperature exponent for effect of IS3
38KFflicker-noise coefficient0
39AFflicker-noise exponent1
40FCcoefficient for forward-bias depletion capacitance formula0.5
41TNOMparameter measurement temperature°C27

See also

References

  1. 1 2 H. K. Gummel and H. C. Poon, "An integral charge control model of bipolar transistors", Bell Syst. Tech. J., vol. 49, pp. 827–852, May–June 1970.
  2. Summary of model with schematics and equations.
This article is issued from Wikipedia. The text is licensed under Creative Commons - Attribution - Sharealike. Additional terms may apply for the media files.