Inverter for fluorescent lamp
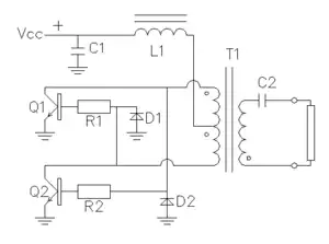
CCFL inverter schema
The CCFL (Cold Cathode Fluorescent Lamp) inverter works in general the same as other converter systems in a much smaler scale.
to 220
schema components:
Q1, Q2 = NPN TIP31, to-220
R1, R2 = 8.2 KOhms
D1, D2 = 1N4001 / 4148
C1 = 10uF, 25V,
C2 = 22 pF, 2KV
L1 = 80uH
T1 = FE16C or equivalent transformer
CCFL inverter transistors equivalent
| D1616 | ╦ | 2SD592A | ╦ | KT3117A | ||
| ║ | ╠ | BC337 | ||||
| ║ | ╠ | 2SD1616 | ╦ | BC637 | ||
| ║ | ║ | ╠ | BC639 | |||
| ║ | ║ | ╚ | 2SD667 | |||
| ║ | ╚ | 2SD592ANC | ╦ | 2N3859A | ||
| ║ | ╠ | BC637 | ||||
| ║ | ╠ | KT3117A | ||||
| ║ | ╠ | 2SD667 | ||||
| ║ | ╚ | BC639 | ||||
| ╚ | 2SC3328 | ╦ | 2N6516 | |||
| ╠ | MPS651 | |||||
| ╠ | KT504A | ╦ | D1490 | |||
| ║ | ╠ | 2SD1490 | ||||
| ║ | ╠ | 2SD1616 | ||||
| ║ | ╠ | 2SC4489 | ||||
| ║ | ╠ | 2SD2182 | ||||
| ║ | ╚ | 2SD218 | ||||
| ║ | ||||||
| ╚ | 2SC3328-O | ╦ | 2N6516 | |||
| ╠ | KT504A | |||||
| ╚ | MPS651 |
Inverter Transformer
T1 ccfl inverter transformer
T1 = FE16C or equivalent transformer
| TURN RATIO: | input = | 1.8 | output = | 8 | . | . |
| PRIMARY INDUCTANCE: | P1= | 33.5 | P2= | 44.5 | P3= | 3.7uH |
| PRIMARY DIAMETER: | P1= | mm | P2= | mm | P3= | mm |
| SECONDARY INDUCTANCE: | S1= | 150mH | . | . | . | . |
| SECONDARY DIAMETER: | S1= | mm | . | . | . | . |
| PRIMARY DCR: | P1= | 0.3Ohm | P2= | 0.3Ohm | P3= | 0.1 Ohm |
| SECONDARY DCR: | S1= | 120 Ohm | . | . | . | . |
| CURRENT RATING: | Primary | 230mA | Secondary | 30mA | . | . |
P3=Winding for optional feedback control
Measure wire thickness
How to measure thin isolated copper wire thickness for a self made transformer coil component
Wire diameter: 0.05 ~ 0.20mm
| DIAMETER | WIRE COLOUR |
|---|---|
| 0.01 | . |
| 0.02 | . |
| 0.03 | . |
| 0.04 | . |
| 0.05 | . |
| 0.06 | . |
| 0.07 | . |
| 0.08 | . |
| 0.1 | . |
External links
This article is issued from Appropedia. The text is licensed under Creative Commons - Attribution - Sharealike. Additional terms may apply for the media files.